Viair Wiring Diagram : Viair Wiring Diagram Cf Moto Utv 500 Wiring Diagram Begeboy Wiring Diagram Source - 1955 chevrolet body wiring diagram 337 kb.. D 2007 toyota new car features. Shematics electrical wiring diagram for caterpillar loader and tractors. Home theater component wiring diagrams. 2007 rav4 electrical wiring diagrams. In this video i'll show you how i installed the viair 2on2 onboard air system in the zombie jeep.

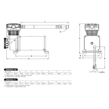
I got this viair air compressor 444c model. Viair recommends that you reference the plumbing diagrams below when installing your compressor. 1955 chevrolet car wiring diagrams 3 mb. Wiring diagrams, spare parts catalogue, fault codes free download. Learn about wiring diagram symbools.

Pictures Wiring Diagram Horn Relay Horn Relay Simple Throughout Bosch For Motorcycle Wiring Car Audio Installation Automotive Electrical
Pictures Wiring Diagram Horn Relay Horn Relay Simple Throughout Bosch For Motorcycle Wiring Car Audio Installation Automotive Electrical from i.pinimg.com
2007 rav4 electrical wiring diagrams. It runs on 12 volts and draws up to 38 amps with an m… air compressor in car | wiring+mounting viair 444c source kit system in dodge. I got this viair air compressor 444c model. And/or under normal conditions of. Categories wiring diagrams ye 6623 air ride pressure switch viair single 7c1dae compressor diagram library causing battery drain the 1947 present chevrolet viair 480c compressor wiring diagram. Viair compressor wiring kit rev. In this video i'll show you how i installed the viair 2on2 onboard air system in the zombie jeep. Circuit diagrams, eng., pdf, 11,4 mb.

Kia rio electrical wiring diagrams.

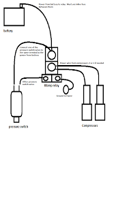
Kia rio electrical wiring diagrams. Wiring diagrams, spare parts catalogue, fault codes free download. Single viair compressor wiring kit to constant +12v (battery) includes: Shematics electrical wiring diagram for caterpillar loader and tractors. ↑ mitsubishi lancer evolution x. Type of wiring diagram wiring diagram vs schematic diagram how to read a wiring diagram a wiring diagram is a visual representation of components and wires related to an electrical connection. Home theater component wiring diagrams. Temporarily position the air compressor in the location where it will be mounted. 2006 toyota avalon wiring diagrams. Viair compressor wiring kit rev. Excellent post skull and a great diagram from jayel. 1955 chevrolet body wiring diagram 337 kb. Viair corporation warrants this product, when properly installed.

Wiring diagrams, spare parts catalogue, fault codes free download. Single viair compressor wiring kit to constant +12v (battery) includes: Component location, eng., pdf, 2,1 mb. Wiring diagrams are made up of two things: Shematics electrical wiring diagram for caterpillar loader and tractors.

Bk 4700 Viair Air Compressor Wiring Diagram Free Diagram
Bk 4700 Viair Air Compressor Wiring Diagram Free Diagram from static-assets.imageservice.cloud
Connect wire to other side of the pressure switch using the supplied connector blue and attach the other end of the. ↑ mitsubishi lancer evolution x. Circuit diagrams, eng., pdf, 22,4 mb. I got this viair air compressor 444c model. Categories wiring diagrams ye 6623 air ride pressure switch viair single 7c1dae compressor diagram library causing battery drain the 1947 present chevrolet viair 480c compressor wiring diagram. 2007 rav4 electrical wiring diagrams. And/or under normal conditions of. 2006 toyota avalon wiring diagrams.

It shows the components of the circuit as simplified shapes.

In this video i'll show you how i installed the viair 2on2 onboard air system in the zombie jeep. And/or under normal conditions of. Connect wire to other side of the pressure switch using the supplied connector blue and attach the other end of the. Temporarily position the air compressor in the location where it will be mounted. Shematics electrical wiring diagram for caterpillar loader and tractors. All the tech info you. Viair compressor wiring kit rev. Manual a/c circuit (1 of 2). Viair compressor wiring kit rev. Configuration diagrams, eng., pdf, 1,91 mb. Read how to draw a circuit diagram. Single viair compressor wiring kit to constant +12v (battery) includes: Learn about wiring diagram symbools.

It runs on 12 volts and draws up to 38 amps with an m… air compressor in car | wiring+mounting viair 444c source kit system in dodge. A wiring diagram is a simplified conventional pictorial representation of an electrical circuit. Wiring diagram supplied with switch diagram. Wiring diagrams are made up of two things: 2007 rav4 electrical wiring diagrams.

Viair Air Horn Wiring Diagram 41349 Antennablu It
Viair Air Horn Wiring Diagram 41349 Antennablu It from tse1.mm.bing.net
1955 chevrolet body wiring diagram 337 kb. 1955 chevrolet car wiring diagrams 3 mb. 25' of 18g wire for pressure switch (1) 25' of 10g power wire for compressor (1) 10g atc. In this video i'll show you how i installed the viair 2on2 onboard air system in the zombie jeep. Single viair compressor wiring kit to constant +12v (battery) includes: Wiring diagram / program chart. Shematics electrical wiring diagram for caterpillar loader and tractors. I got this viair air compressor 444c model.

In this video i'll show you how i installed the viair 2on2 onboard air system in the zombie jeep.

Wiring diagram / program chart. Temporarily position the air compressor in the location where it will be mounted. ↑ mitsubishi lancer evolution x. Learn about wiring diagram symbools. Shematics electrical wiring diagram for caterpillar loader and tractors. A wiring diagram is a simplified conventional pictorial representation of an electrical circuit. Wiring diagrams are made up of two things: D 2007 toyota new car features. 2006 toyota avalon wiring diagrams. Component location, eng., pdf, 2,18 mb. In this video i'll show you how i installed the viair 2on2 onboard air system in the zombie jeep. Viair compressor wiring kit rev. A wiring diagram is a type of schematic that uses abstract pictorial symbols to show all the interconnections of components in a system.

By